ANSI API6D Gate Valve
End flange dimenision as ANSI B16.5 Pressure-temperature rating as ANSI B16.34 Pressure test as API 598
ANSI A105 API6D CF8/CF8M/CF3M Gate Valve
Standards
Design and manufacture as API600,ANSI B16.34 Fane to face dimensions as ANSI B16.10
End flange dimenision as ANSI B16.5 Pressure-temperature rating as ANSI B16.34 Pressure test as API 598
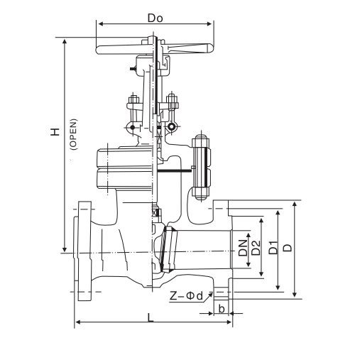
Main Connection Dimensions
Materials for Main Parts
Name | Material | ||||||||
Body Bonnet Wedge | A216 WCB | A352 LCB | A217 WC6 | A217 WC9 | A217 C5 | A351 CF8 | A351 CF8M | A351 CF3 | A351 CF3M |
Stem | A182 F6 | A182 F304 | A182 F316 | A182 F304L | A182 F316L | ||||
Stem Nut | ZcuAll0Fe3 Bronze | ||||||||
Ha nd wheel | KTH350-10 | ||||||||
Bon net Bolt | A193-B7 A320-L7 A193-B8 | ||||||||
Nut | A194-2H A194-7A194-8 | ||||||||
Test Item | Shell Test | Seal Test | Back Seal Test | Air Seal Test | |||||
Medium | Water | Air | |||||||
Unit | MPa | Ibf/in2 | MPa | Ibf/in2 | MPa | Ibf/in2 | MPa | Ibf/in2 | |
Pressure (Class) | 150 | 3.1 | 450 | 2.2 | 315 | 2.2 | 315 | 0.5~0.7 | 60-100 |
300 | 7.8 | 1125 | 5.6 | 815 | 5.6 | 815 | |||
400 | 10.3 | 1500 | 7.6 | 1100 | 7.6 | 1100 | |||
600 | 15.3 | 2225 | 11.2 | 1630 | 11.2 | 1630 | |||
900 | 23.1 | 3350 | 16.8 | 2440 | 16.8 | 2440 | |||
1500 | 38.4 | 5575 | 28.1 | 4080 | 28.1 | 4080 | |||
Type | Size(mm) | Dimension(mm) | ||||||||
Inch | DN | L | D | Dl | D2 | b | z-ød | H | DO | |
H Z40W-150Lb Y H Z540W-150Lb Y H Z940W-150Lb Y | 1/2" | 15 | 108 | 89 | 60.5 | 35 | 12 | 4-ø15 | 180 | 120 |
3/4" | 20 | 117 | 98 | 70 | 43 | 12 | 4-ø15 | 185 | 120 | |
1" | 25 | 127 | 108 | 79.5 | 51 | 12 | 4-ø15 | 225 | 140 | |
11/4" | 32 | 140 | 117 | 89 | 64 | 13 | 4-ø15 | 245 | 160 | |
11/2 " | 40 | 165 | 127 | 98.6 | 73.2 | 15 | 4-ø15 | 310 | 180 | |
2" | 50 | 178 | 152 | 120.7 | 92 | 16 | 4-ø19 | 335 | 200 | |
21/2" | 65 | 190 | 177.8 | 139.7 | 104.7 | 18 | 4-ø19 | 350 | 220 | |
3" | 80 | 203 | 190.5 | 152.4 | 127 | 19 | 4-ø19 | 420 | 240 | |
4" | 100 | 229 | 229 | 190.5 | 157 | 24 | 8-ø19 | 485 | 280 | |
5n | 125 | 254 | 254 | 216 | 185.7 | 26 | 8-ø22 | 515 | 300 | |
6" | 150 | 267 | 279 | 241.3 | 216 | 26 | 8-ø22 | 565 | 320 | |
8" | 200 | 292 | 343 | 298.5 | 270 | 29 | 8-ø22 | 760 | 400 | |
10" | 250 | 330 | 406 | 362 | 324 | 31 | 12-ø25 | 950 | 450 | |
12" | 300 | 356 | 483 | 432 | 381 | 21 | 12-ø25 | 1075 | 500 | |
14" | 350 | 381 | 533 | 476.3 | 413 | 35 | 12-ø29 | 1160 | 500 | |
16" | 400 | 406 | 597 | 540 | 470 | 37 | 16-ø29 | 1345 | 550 | |
18" | 450 | 432 | 635 | 578 | 533.4 | 40 | 16-ø32 | 1450 | 550 | |
20" | 500 | 457 | 698.5 | 635 | 584 | 43 | 20-ø32 | 1600 | 600 | |
24" | 600 | 508 | 813 | 749.3 | 692 | 48 | 20-ø35 | 1720 | 650 | |
16" | 650 | 559 | 870 | 806 | 749.5 | 69 | 24-ø35 | 1820 | 650 | |
28" | 700 | 610 | 927 | 863 | 800 | 72 | 28-ø35 | 2000 | 700 | |
30" | 750 | 610 | 984 | 914.4 | 857 | 75 | 28-ø35 | 2200 | 700 | |
32" | 800 | 660 | 1060.5 | 978 | 914.4 | 81 | 28-ø42 | 2400 | 750 | |
36" | 900 | 711 | 1168 | 1086 | 1022.4 | 91 | 32-ø42 | 2600 | 800 | |
H Z540W-300Lb Y H Z540W-300Lb Y H Z940W-300Lb Y | 1/2" | 15 | 140 | 95 | 66.5 | 35 | 15 | 4-ø15 | 190 | 120 |
3/4" | 20 | 152 | 117 | 82.5 | 43 | 16 | 4-ø19 | 200 | 120 | |
1" | 25 | 165 | 124 | 89 | 51 | 18 | 4-ø19 | 225 | 140 | |
11/4" | 32 | 178 | 133 | 98.5 | 64 | 19 | 4-ø19 | 255 | 160 | |
11/2" | 40 | 190 | 156 | 114.3 | 73 | 21 | 4-ø22 | 320 | 180 | |
2" | 50 | 216 | 165 | 127 | 92 | 23 | 8-ø19 | 360 | 220 | |
21/2" | 65 | 241 | 190.5 | 149.4 | 104.7 | 26 | 8-ø22 | 400 | 240 | |
3" | 80 | 283 | 210 | 168.2 | 127 | 29 | 8-0)22 | 455 | 280 | |
4" | 100 | 305 | 254 | 200.2 | 157 | 32 | 8-CP22 | 500 | 300 | |
5" | 125 | 381 | 279 | 235 | 185.7 | 35 | 8-0)22 | 555 | 320 | |
6" | 150 | 403 | 318 | 270 | 216 | 37 | 12-022 | 650 | 350 | |
8n | 200 | 419 | 381 | 330 | 270 | 42 | 12-025 | 900 | 450 | |
10" | 250 | 459 | 445 | 387.5 | 324 | 48 | 16-029 | 970 | 500 | |
12" | 300 | 502 | 521 | 451 | 381 | 51 | 16-032 | 1110 | 550 | |
14" | 350 | 762 | 584 | 514.5 | 413 | 54 | 20-032 | 1220 | 600 | |
16" | 400 | 838 | 648 | 571.5 | 470 | 58 | 20-035 | 1430 | 650 | |
18" | 450 | 914 | 711 | 628.7 | 533.4 | 61 | 24-035 | 1510 | 700 | |
20" | 500 | 991 | 775 | 685.8 | 584 | 64 | 24-035 | 1680 | 750 | |
24" | 600 | 1143 | 914.4 | 812.8 | 692 | 70 | 24-041 | 1820 | 800 | |
26" | 650 | 1245 | 972 | 876 | 749.5 | 80 | 24-045 | 1920 | 850 | |
28" | 700 | 1345 | 1035 | 939.8 | 800 | 86 | 28-445 | 2100 | 900 | |
H Z40W-600Lb Y H Z540W-600Lb Y H Z940W-600Lb Y | 1/2- | 15 | 165 | 95 | 66.5 | 35 | 15 | 4-015 | 190 | 120 |
3/4・ | 20 | 190 | 118 | 82.5 | 43 | 16 | 4-019 | 200 | 120 | |
1" | 25 | 216 | 124 | 89 | 51 | 18 | 4-019 | 230 | 140 | |
11/4" | 32 | 229 | 133 | 98.5 | 64 | 21 | 4-019 | 260 | 160 | |
11/2" | 40 | 241 | 156 | 114.5 | 73.2 | 23 | 4-022 | 330 | 180 | |
2" | 50 | 292 | 165 | 127 | 92 | 26 | 8-0)19 | 380 | 250 | |
21/2 - | 65 | 330 | 190.5 | 149.4 | 104.7 | 29 | 8-0322 | 420 | 300 | |
3" | 80 | 356 | 210 | 168.2 | 127 | 32 | 8-022 | 470 | 300 | |
4" | 100 | 432 | 273 | 216 | 157 | 38 | 8-025 | 570 | 350 | |
5" | 125 | 508 | 330 | 266.7 | 185.7 | 45 | 8-029 | 650 | 450 | |
6" | 150 | 559 | 356 | 292 | 216 | 48 | 12-029 | 700 | 450 | |
8" | 200 | 660 | 419 | 349 | 270 | 56 | 12-032 | 880 | 500 | |
10" | 250 | 787 | 508 | 432 | 324 | 64 | 16-435 | 1020 | 600 | |
12" | 300 | 838 | 559 | 489 | 381 | 67 | 20-035 | 1230 | 700 | |
14" | 350 | 889 | 603 | 527 | 413 | 70 | 20-038 | 1300 | 750 | |
16" | 400 | 991 | 686 | 603 | 470 | 77 | 20-041 | 1450 | 800 | |
18" | 450 | 1092 | 743 | 654 | 533.4 | 83 | 20-044 | 1550 | 850 | |
20" | 500 | 1194 | 813 | 724 | 584 | 89 | 24-044 | 1720 | 900 | |
24" | 600 | 1397 | 940 | 838 | 692 | 102 | 24-052 | 1860 | 950 | |


Structural features:
1. It has the advantages of compact structure, beautiful appearance, full channel and small flow resistance coefficient.
2. The material matching of sealing pair is reasonable and the service life is long.
3. The structural form of ram is elastic wedge single ram or rigid wedge single ram. The surface of the valve stem is nitrided, which has good corrosion resistance and friction resistance. The packing is made of Teflon material, with reliable sealing, flexible operation and small opening and closing torque.
4. Various flange standards and flange sealing surface types can be selected, and various driving modes such as manual, worm gear drive, electric, pneumatic and hydraulic can be selected to meet the different needs of users.
Application: widely used in chemical, thermal power, power plants and other oil, water vapor pipeline for connecting or cutting off the medium in the pipeline opening and closing device.
Price:Our price fluctuates with raw materials and exchange rate. Please leave your contact information and give you a new quotation as soon as possible.
Packing: wooden case, wooden pallet or packing method specified by customers.
Hot Tags: ANSI API6D gate valve, China, suppliers, manufacturers, customized, wholesale, quotation, low price, in stock, made in China
Send Inquiry


